E-Sharp Helpcenter

ESH10000355 – 6x IDC N-TOP Breakout Module

Product Brief

033df3db-506c-49a7-9301-fc511e2c49e1.png


The ESH10000355 is an Accordion N-TOP module providing high-density signal breakout via six IDC 20-pin connectors, exposing 96 user signals (DATA[0–95]) directly from the Accordion DATA bus. It is designed for use in PCBA test, NPI, and production test environments where rapid fixture integration and direct signal access are required.

The module occupies a single N-TOP slot on the Accordion or Accordion A2 top board. Signals are routed 1:1 from the system DATA bus to the IDC connectors — no active components, no signal conditioning. The module is passive.

Typical use cases:

  • Signal breakout to PCBA test fixtures via IDC ribbon cable

  • High-density digital/analog channel access in automated test systems

  • Interface to custom or standard test adapters

  • Direct channel-to-pin mapping for fixture design and debug


Datasheet

Parameter

Value / Description

Module Type

N-TOP (Accordion)

Part Number

ESH10000355

User Signals

96 (DATA[0–95])

Connector Type

IDC 20-pin (×6), 2.54 mm pitch

Connector Designators

J1 – J6

Signal Mapping

Direct 1:1 to Accordion DATA bus

Compatible Systems

Accordion, Accordion A2

Form Factor

N-TOP slot module

Max Voltage

5V

Max Current

2A

ESD Protection

IEC 61000-4-2
± 30 kV contact discharge
± 30 kV air discharge


Manual

Hardware

Installation

  1. Power down the Accordion or Accordion A2 system before inserting or removing modules.

  2. Align the ESH10000355 with an available N-TOP slot (N1–N4). The module is keyed — do not force insertion.

  3. Press firmly until the module is fully seated.

  4. Connect IDC ribbon cables to J1–J6 as required by the fixture design.

Slot and SO-DIMM Mapping

The N-TOP slot determines which SO-DIMM connector (T1–T3, A1) carries the DATA signals from the top board.

N-TOP Slot

SO-DIMM

N1

T1

N2

T2

N3

T3

N4

A1

Signal Routing

Each IDC 20-pin connector (J1–J6) exposes 20 DATA lines. Signal assignment is fixed by the module PCB layout. See the Pinout section for per-connector, per-pin signal mapping.

Example: If an MPIO module (e.g., ESH10000590) is installed in slot A1 and ESH10000355 is in N4, MPIO channel A1/0.5 is routed to DATA0, which is accessible at J4 pin 3.

Cabling

Use standard 20-pin IDC ribbon cables. Ensure cables are fully seated and latched. Verify pin 1 orientation (marked stripe on ribbon) matches the connector key.


Software

The ESH10000355 is passive — it requires no driver and has no configurable parameters. All software interaction is against the source channel (MPIO, MADC, etc.) routed through the DATA bus.

Channel Access

Channels are addressed by their logical name in the Accordion system. Use the channel discovery API or the system's channel map to identify which logical channel corresponds to each physical pin.

C# (.NET API)

C#
// Read digital value from channel mapped to DATA0
var value = pilot.GetChannel("DATA0").ReadDigital();

// Write digital value
pilot.GetChannel("DATA0").WriteDigital(true);

Python

Python
# Read digital value from channel mapped to DATA0
value = pilot.get_channel("DATA0").read_digital()

# Write digital value
pilot.get_channel("DATA0").write_digital(True)

TestStand

Use the provided Accordion sequence files. Reference channels by name in the ChannelName parameter of the Accordion step types. No additional configuration is required for the ESH10000355 itself.

Channel Discovery

C#
// List all channels available in the system
var channels = pilot.GetChannels();
foreach (var ch in channels)
    Console.WriteLine(ch.Name);

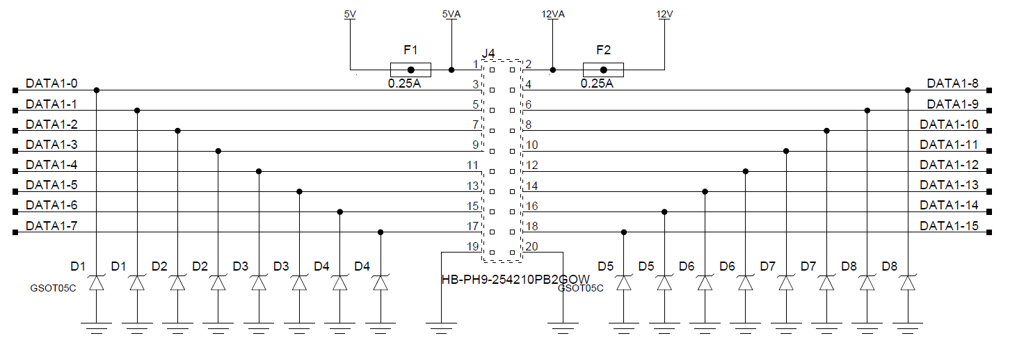
Pinout

The module has six IDC 20-pin (2×10, 2.54 mm pitch) connectors. Each connector exposes 20 DATA lines. Pin 1 is indicated by the chamfer and by the marked wire on standard IDC ribbon cables.

Connector Overview

Connector

DATA Lines

J1

DATA[0–15]

J2

DATA[16–31]

J3

DATA[32–47]

J4

DATA[48–63]

J5

DATA[64–79]

J6

DATA[80–95]

Pin Mapping (per connector)

IDC 20-pin connectors use a 2×10 layout.

image-20260423-061946.png


GND and Power Pins

Pin 1 is 5V with a thermistor fuse (0.25A)
Pin 2 is 12-20V with a thermistor fuse (0.25A)